Open CourseWare
Show page
Recent changes
Login
Media Manager
Namespaces
Choose namespace
[root]
3dp
aa
ac
ac-is
alf
am
android
apd
apm
app
asc
ass
bd
bd2
bdd
cc
cdci
cns
cpl
cpl-atm
cplatm
dapm
devops
dsm
dss
eap
egc
eim
ep
ewis
fob
fss
gp
gsr
help
ic
idp
ihs
ii
info2
iocla-bkp
iot
iot2015
iot2016
iotcluj
iotcluj2016
iothings
iotiasi
ipg
irva
isc
isi
isrm
lfa
lkd
mentors
mn
moby
mps
mpsit
ndk
osp
pa
patr
pc
pclp2
pet
pgapi
pjv
pl
pm
administrative
aviewer
cablaj
cursuri
diverse
echipa
eestec
galerie
galileo
graphviz
hidden
lab
latex
pm
poze
prj2010
prj2011
prj2012
prj2013
amocanu
avoinescu
emma
gabriel-ivanica
iulia-muntianu
ledjoc
pm
prj2013
avoinescu
screenshot_from_2013-05-23_02_50_31.png
stamate-cosmin
vlad
dtudose
mdobre
rdobre
schiricescu
sstegaru
prj2014
prj2015
prj2016
prj2017
prj2018
prj2019
prj2021
prj2022
prj2023
prj2024
prj2025
promo
tutorial
wiki
wikistatistics
poo
poo-ca-cd
poo-is
poo-is-ab
pp
pr
priot
prnp
programare
programare-cc
ps
pw
rl
saisp
sasc
scgc
scr
sd-ca
sda-aa
sda-ab
sde
sde2
se
seh
si
smd
so
so-etti
so2
soc
sred
ss
tsc
uso
uso-ac
vdvac
vss
wiki
Media Files
Media Files
Upload
Search
Files in
pm:prj2013:avoinescu:prj2013:avoinescu
Thumbnails
Rows
Name
Date
331cb_patrascoiu_andrei_alte_resurse.zip
2013/05/24 10:03
33.3 KB
331cb_patrascoiu_andrei_cod_proiect.zip
2013/05/24 10:02
4.9 KB
331pa-connected.jpg
2592×1552
2013/05/24 10:27
450 KB
331pa_back.jpg
2592×1552
2013/05/24 10:27
473.5 KB
331pa_front.jpg
2592×1552
2013/05/24 10:27
445.5 KB
331pa_microcontroller.jpg
1552×2592
2013/05/24 10:27
453 KB
333ca_alexandru_tudorica.zip
2013/05/24 23:20
670 KB
atmega.png
587×468
2013/05/24 11:20
69.8 KB
atmega164pa.jpg
410×270
2013/05/24 08:52
69.4 KB
avr1.jpg
1004×640
2013/05/25 00:19
108.6 KB
bat.h.sn-34-500x500.jpg
500×500
2013/05/24 11:21
93.1 KB
block.png
1152×648
2013/05/24 08:34
10.5 KB
cod_proiect.zip
2013/05/24 09:59
4.9 KB
cosmin_bogus.jpg
2592×1944
2013/05/25 00:05
821.4 KB
cosmin_stanescu_332cb_proiect_pm.zip
2013/05/25 03:06
9.4 KB
costin1.jpg
3648×2736
2013/05/24 15:20
4.2 MB
costin2.jpg
3648×2736
2013/05/24 15:20
3.4 MB
cub.jpg
324×699
2013/05/24 09:18
30.2 KB
cub_leduri.zip
2013/05/24 08:25
788 B
desen1_sch.png
304×204
2013/05/24 23:39
6.9 KB
drawing1.png
483×65
2013/05/24 08:09
6.1 KB
dsc00484.jpg
2592×1944
2013/05/24 11:51
654.8 KB
dsc_0073.jpg
2592×1944
2013/05/24 11:32
964.9 KB
dsc_0074.jpg
2592×1944
2013/05/24 11:34
1.2 MB
dsc_0082.jpg
2592×1944
2013/05/24 12:09
912.3 KB
dsc_0083_1_.jpg
2592×1944
2013/05/24 13:16
914.9 KB
dsc_0993.jpg
4288×2848
2013/05/24 08:13
3 MB
dsc_0994.jpg
4288×2848
2013/05/24 08:13
3 MB
dsc_0996.jpg
4288×2848
2013/05/24 08:13
3.4 MB
dsc_0997.jpg
4288×2848
2013/05/24 08:13
3.4 MB
dsc_1006.jpg
4288×2848
2013/05/24 08:13
2.8 MB
gilca_mircea_333ca_pm_proiect.zip
2013/05/26 12:21
14 KB
hcf4051_96443.gif
720×1012
2013/05/24 08:56
41.4 KB
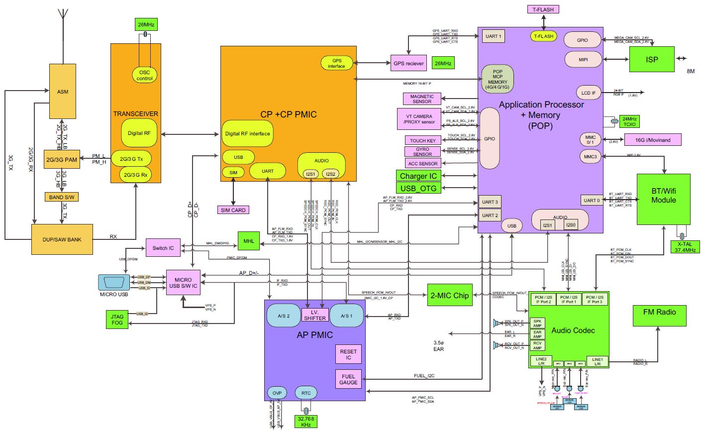
i9100_block.jpg
1411×872
2013/05/26 12:57
158.9 KB
img_1637-500x500.jpg
500×348
2013/05/24 11:22
61.4 KB
img_20130518_143903.jpg
3264×2448
2013/05/26 11:39
2.6 MB
img_20130520_175550.jpg
3264×2448
2013/05/26 11:39
3.2 MB
img_20130520_182052.jpg
3264×2448
2013/05/26 11:39
3.3 MB
img_20130523_130728.jpg
3264×2448
2013/05/26 11:39
2.3 MB
img_20130524_014507.jpg
3264×2448
2013/05/26 11:39
3 MB
img_20130526_112534.jpg
3264×2448
2013/05/26 11:39
2.4 MB
joc_leduri.jpg
2592×1944
2013/05/24 12:04
733.4 KB
l298_pl-500x500.jpg
500×500
2013/05/24 11:19
83.6 KB
ok1.jpg
2592×1944
2013/05/25 02:46
1.1 MB
ok2.jpg
2592×1944
2013/05/25 02:47
724.6 KB
photo_18.05.2013_16_09_48.jpg
3264×2448
2013/05/24 09:32
2.5 MB
photo_20.05.2013_01_34_59.jpg
3264×2448
2013/05/24 09:32
2.8 MB
photo_20.05.2013_17_54_20.jpg
3264×2448
2013/05/24 09:32
2.3 MB
photo_23.05.2013_17_55_55.jpg
3264×2448
2013/05/24 09:33
2.3 MB
photo_30.03.2013_21_59_28.jpg
3264×2448
2013/05/24 09:33
2.8 MB
placa_masinuta.png
970×485
2013/05/24 23:08
59.4 KB
pm.png
1392×367
2013/05/24 09:27
11 KB
pov-rgb-smd-board_led_rbg_5050.png
2063×783
2013/05/25 00:44
50.6 KB
pov-rgb-smd-components.png
1157×816
2013/05/25 00:44
12 KB
pov-rgb-smd-schema_bloc.png
905×327
2013/05/25 01:21
17.2 KB
pov-rgb-smd-tlc5940pwp.png
1306×519
2013/05/25 00:44
19 KB
powertip.pdf
2013/05/24 10:47
791.2 KB
proiect_-_zaharovits_albert_332cb.zip
2013/05/24 11:06
1.3 MB
qtr_1rc_1-500x500.jpg
500×500
2013/05/24 11:15
114 KB
schema_bloc.png
809×522
2013/05/24 11:03
20.1 KB
schema_eagle_poze.zip
2013/05/24 13:20
4.8 MB
schema_hardware_block.jpg
7512×4648
2013/05/24 10:39
2.1 MB
schema_leduri.png
872×587
2013/05/24 11:48
13.6 KB
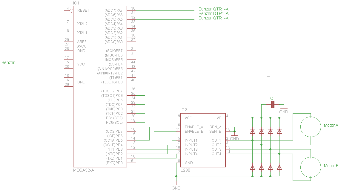
schemalinefollower.png
1142×639
2013/05/24 12:03
17.3 KB
schematic.png
848×722
2013/05/24 08:41
24.6 KB
sd_card.pdf
2013/05/24 10:47
959.3 KB
surse_eagle_cristina_caciur.zip
2013/05/24 11:56
33.4 KB
wack-a-mole1.jpg
2560×1920
2013/05/24 10:09
1.6 MB
wack-a-mole2.jpg
2560×1920
2013/05/24 10:09
1.6 MB
File
pm/prj2023/fstancu/router.txt · Last modified: 2023/05/30 11:01 by radu_andrei.sirghe
Show page
Old revisions
Media Manager
Back to top