Open CourseWare
Show page
Recent changes
Login
Media Manager
Namespaces
Choose namespace
[root]
3dp
aa
ac
ac-is
alf
am
android
apd
apm
app
asc
ass
bd
bd2
bdd
cc
cdci
cns
cpl
cpl-atm
cplatm
dapm
devops
dsm
dss
eap
egc
eim
ep
ewis
fob
fss
gp
gsr
help
ic
idp
ihs
ii
info2
iocla-bkp
iot
iot2015
iot2016
iotcluj
iotcluj2016
iothings
iotiasi
ipg
irva
isc
isi
isrm
lfa
lkd
mentors
mn
moby
mps
mpsit
ndk
osp
pa
patr
pc
pclp2
pet
pgapi
pjv
pl
pm
administrative
aviewer
cablaj
cursuri
diverse
echipa
eestec
galerie
galileo
graphviz
hidden
lab
latex
pm
poze
prj2010
prj2011
prj2012
prj2013
prj2014
prj2015
prj2016
prj2017
prj2018
prj2019
prj2021
prj2022
prj2023
prj2024
prj2025
abirlica
ajipa
aluca
apredescu
atoader
avaduva
ccristi
cmoarcas
czlatea
eradu
fstancu
iivasciuc
iotelea
mdinica
rnedelcu
vradulescu
vstoica
cd
dragos_petru.boanta
florin.ionita3007
stefan.lepinzean
horia.moroianu3101
nicusor.zaharia0308
pm
vstoicam
promo
tutorial
wiki
wikistatistics
poo
poo-ca-cd
poo-is
poo-is-ab
pp
pr
priot
prnp
programare
programare-cc
ps
pw
rl
saisp
sasc
scgc
scr
sd-ca
sda-aa
sda-ab
sde
sde2
se
seh
si
smd
so
so-etti
so2
soc
sred
ss
tsc
uso
uso-ac
vdvac
vss
wiki
Media Files
Media Files
Upload
Search
Files in
pm:prj2025:vstoica:cd:dragos_petru.boanta
Thumbnails
Rows
Name
Date
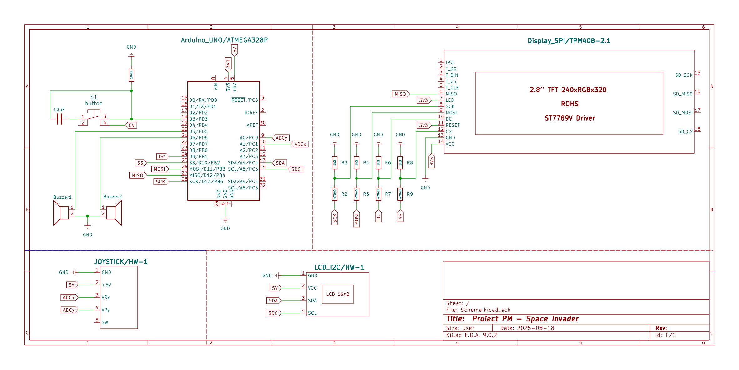
diagrama.png
607×540
2025/05/18 21:02
31.3 KB
schema.pdf
2025/05/24 12:39
112.9 KB
schema.png
2363×1182
2025/05/24 12:39
108.1 KB
File
pm/prj2022/dene/lampa_proiector.txt · Last modified: 2022/06/02 12:12 by sabina_ioana.dordea
Show page
Old revisions
Media Manager
Back to top