Open CourseWare
Show page
Recent changes
Login
Media Manager
Namespaces
Choose namespace
[root]
3dp
aa
ac
ac-is
arhiva
2011
lab1
lab2
lab3
lab4
lab7
seminar
teme
2012
2013
2014
2015
2016
2017
internal
lab
lab-ie
playground
resurse
teme
teme-ie
tutoriale
undefined
wiki
alf
am
android
apd
apm
app
asc
ass
bd
bd2
bdd
cc
cdci
cns
cpl
cpl-atm
cplatm
dapm
devops
dsm
dss
eap
egc
eim
ep
ewis
fob
fss
gp
gsr
help
ic
idp
ihs
ii
info2
iocla-bkp
iot
iot2015
iot2016
iotcluj
iotcluj2016
iothings
iotiasi
ipg
irva
isc
isi
isrm
lfa
lkd
mentors
mn
moby
mps
mpsit
ndk
osp
pa
patr
pc
pclp2
pet
pgapi
pjv
pl
pm
poo
poo-ca-cd
poo-is
poo-is-ab
pp
pr
priot
prnp
programare
programare-cc
ps
pw
rl
saisp
sasc
scgc
scr
sd-ca
sda-aa
sda-ab
sde
sde2
se
seh
si
smd
so
so-etti
so2
soc
sred
ss
tsc
uso
uso-ac
vdvac
vss
wiki
Media Files
Media Files
Upload
Search
Files in
ac-is:arhiva:2011:lab3
Thumbnails
Rows
Name
Date
char_addr.png
756×116
2021/09/20 18:37
13.5 KB
command_set.png
772×419
2021/09/20 18:37
37 KB
lab3_schelet.zip
2021/09/20 18:37
3.6 KB
lab3ac_2010.pdf
2021/09/20 18:37
331.4 KB
lcd_char_set.png
571×840
2021/09/20 18:37
12.7 KB
modul_ceas_bun.png
509×261
2021/09/20 18:37
32 KB
pini_lcd.png
1001×537
2021/09/20 18:37
69.8 KB
spartan3e_lcd.png
774×736
2021/09/20 18:37
79.7 KB
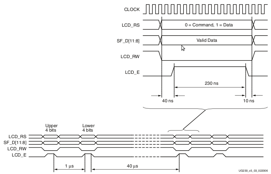
timing.png
914×587
2021/09/20 18:37
44 KB
File
iothings/proiecte/2022sric/home_security_system.txt · Last modified: 2023/06/02 00:52 by robert.delicostea
Show page
Old revisions
Media Manager
Back to top